0
營造五金
工廠五金
園藝五金
空壓機
工程安全
抽水泵浦
熱銷產品
聯絡我們
0
油壓沖孔機(日-0GURA)
首 頁
油壓沖孔機(日-0GURA)
HPC-620N
HPC-620N
HPC-620N
(電壓110V 730W)
1.
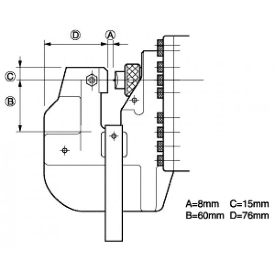
自重約:17KG 最大奧深:55mm
2.
穴型狀:丸穴孔.長穴孔
3.最大孔徑:20mm(鐵),白鐵約15mm.
4.最大厚度:6mm(鐵).白鐵約5mm
5.
外型尺寸:487*140*304mm
最大120×t6
最小40×40×t3
最大90×90×t6
最小75×40
最大100×50
繼續選購
立即詢價