0
營造五金
工廠五金
園藝五金
空壓機
工程安全
抽水泵浦
熱銷產品
聯絡我們
0
油壓沖孔機(日-0GURA)
首 頁
油壓沖孔機(日-0GURA)
HPC-618
HPC-618
HPC-618
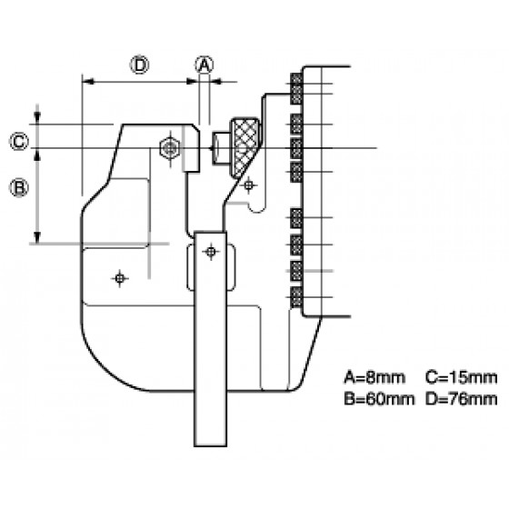
(電壓110V 750W)
1.自重約:12KG 最大奧深:60mm
2.穴型狀:丸穴孔.長穴孔
3.最大孔徑:18mm,白鐵約15mm.
4.最大厚度:6mm(鐵).白鐵約5mm
5.外型尺寸:475*140*319mm
最大120×t6
最小40×40×t3
最大90×90×t6
最小75×40
最大100×50
繼續選購
立即詢價