| 型式 | 馬力 | 相數 | 電壓 | 恆壓設定壓力 |
入水口 | 出水口 | 額定揚程 | 額定水量 |
| (HP) | (Ø) | (V) | (kg/cm²) | (in.) | (in.) | (M) | (L/min) | |
| TPH8T2KICx2 | 1x2 | 1Ø | 200-240V | 2.0 | 2 | 3 | 20 | 260 |
| 3Ø | 200-240V / 380-440V | |||||||
| TPH8T3KICx2 | 2x2 | 1Ø | 200-240V | 3.0 | 2 | 3 | 30 | 260 |
| 3Ø | 200-240V / 380-440V | |||||||
| TPH8T4KICx2 | 3x2 | 1Ø | 200-240V | 4.0 | 2 | 3 | 40 | 260 |
| 3Ø | 200-240V / 380-440V | |||||||
| TPH8T5KICx2 | 3x2 | 1Ø | 200-240V | 5.0 | 2 | 3 | 50 | 230 |
| 3Ø | 200-240V / 380-440V |
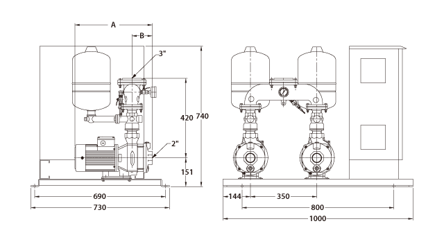
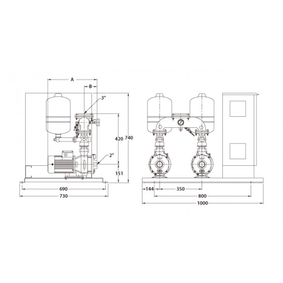
| 型式 | A | B | 壓力桶(L) |
| TPH8T2KICx2 | 376.5 | 75 | 12 x2 |
| TPH8T3KICx2 | 408.5 | 107 | 12 x2 |
| TPH8T4KICx2 | 435.5 | 107 | 12 x2 |
| TPH8T5KICx2 | 469.5 | 141 | 12 x2 |
1. 環境溫度:Max. +40°C
2. 液體溫度:+4°C~+40°C
3. 入口壓力:須小於恆壓設定值
4. 系統壓力:最大10㎏/c㎡
5. 適用液體:不含雜質之清水、乾淨稀薄非腐蝕性之中性液體
產品說明
TPHIC系列電腦變頻恆壓泵浦,用水時馬達平緩啟動,變頻器依壓力感應器回饋感測用水壓力,進而控制馬達運轉頻率,無段改變馬達轉速,使用水壓力穩定維持在壓力設定值。
恆壓穩壓 : 使用時壓力均不會高於壓力設定值,用水量超過恆壓範圍仍保持穩壓供水。
無水斷電 : 水源無水,變頻器將會自動停止供電。
止水停機 : 停止用水時,微電腦自動偵測回傳並控制馬達減速停機。
測漏補償 : 管路洩漏、滴水,微電腦自動偵測並運轉泵浦補償壓力至設定值。
並列運轉 : 使用時單台啟動,隨使用水量增加,單台運轉無法滿足設定之壓力及使用水量時,第二台自行啟動併入運轉補償,隨水量遞減,單台可以滿足設定之壓力及使用水量時,第二台自動停機。
交互運轉 : 啟動順序可依設定之時間交替運轉。
| 型式 | 馬力 | 相數 | 電壓 | 恆壓設定壓力 |
入水口 | 出水口 | 額定揚程 | 額定水量 |
| (HP) | (Ø) | (V) | (kg/cm²) | (in.) | (in.) | (M) | (L/min) | |
| TPH8T2KICx2 | 1x2 | 1Ø | 200-240V | 2.0 | 2 | 3 | 20 | 260 |
| 3Ø | 200-240V / 380-440V | |||||||
| TPH8T3KICx2 | 2x2 | 1Ø | 200-240V | 3.0 | 2 | 3 | 30 | 260 |
| 3Ø | 200-240V / 380-440V | |||||||
| TPH8T4KICx2 | 3x2 | 1Ø | 200-240V | 4.0 | 2 | 3 | 40 | 260 |
| 3Ø | 200-240V / 380-440V | |||||||
| TPH8T5KICx2 | 3x2 | 1Ø | 200-240V | 5.0 | 2 | 3 | 50 | 230 |
| 3Ø | 200-240V / 380-440V |