| 型式 | 馬力 | 相數 | 電壓 | 恆壓設定壓力 |
入水口 | 出水口 | 額定揚程 | 額定水量 |
| (HP) | (Ø) | (V) | (kg/cm²) | (in.) | (in.) | (M) | (L/min) | |
| TPH4T2KIC | 1 | 1Ø | 200-240V | 2.0 | 1½ | 1½ | 20 | 60 |
| 3Ø | 200-240V / 380-440V | |||||||
| TPH4T3KIC | 1 | 1Ø | 200-240V | 3.0 | 1½ | 1½ | 30 | 60 |
| 3Ø | 200-240V / 380-440V | |||||||
| TPH4T4KIC | 2 | 1Ø | 200-240V | 4.0 | 1½ | 1½ | 40 | 60 |
| 3Ø | 200-240V / 380-440V | |||||||
| TPH4T5KIC | 2 | 1Ø | 200-240V | 5.0 | 1½ | 1½ | 50 | 60 |
| 3Ø | 200-240V / 380-440V | |||||||
| TPH4T6KIC | 2 | 1Ø | 200-240V | 6.0 | 1½ | 1½ | 60 | 60 |
| 3Ø | 200-240V / 380-440V |
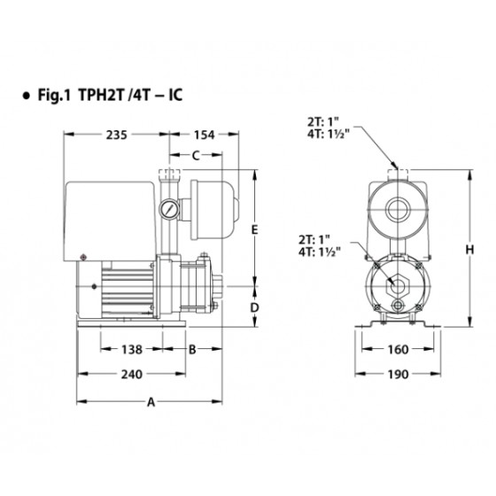
| 型式 | A | B | C | D | E | H | 壓力桶(L) | 例圖 | |
| TPH4T2KIC | 315 | 123 | 108 | 90 | 238 | 328 | 0.8 | 2 | |
| TPH4T3KIC | 382 | 150 | 135 | 90 | 238 | 328 | 0.8 | 2 | |
| TPH4T4KIC | 409 | 177 | 162 | 90 | 238 | 328 | 0.8 | 2 | |
| TPH4T5KIC | 436 | 204 | 189 | 90 | 238 | 328 | 0.8 | 2 | |
| TPH4T6KIC | 494 | 231 | 216 | 90 | 238 | 328 | 0.8 | 2 | |
| TPH4T2KICV | 598 | 123 | 108 | 130 | 153 | 596 | 0.8 | 3 | |
| TPH4T3KICV | 625 | 150 | 135 | 130 | 153 | 596 | 0.8 | 3 | |
| TPH4T4KICV | 652 | 177 | 162 | 130 | 153 | 596 | 0.8 | 3 | |
| TPH4T5KICV | 679 | 204 | 189 | 130 | 153 | 596 | 0.8 | 3 | |
| TPH4T6KICV | 706 | 231 | 216 | 130 | 153 | 596 | 0.8 | 3 | |
1. 環境溫度:Max. +40°C
2. 液體溫度:+4°C~+40°C
3. 入口壓力:須小於恆壓設定值
4. 系統壓力:最大10㎏/c㎡
5. 適用液體:不含雜質之清水、乾淨稀薄非腐蝕性之中性液體
產品說明
TPHIC系列電腦變頻恆壓泵浦,用水時馬達平緩啟動,變頻器依壓力感應器回饋感測用水壓力,進而控制馬達運轉頻率,無段改變馬達轉速,使用水壓力穩定維持在壓力設定值。
恆壓穩壓 : 使用時壓力均不會高於壓力設定值,用水量超過恆壓範圍仍保持穩壓供水。
無水斷電 : 水源無水,變頻器將會自動停止供電。
止水停機 : 停止用水時,微電腦自動偵測回傳並控制馬達減速停機。
測漏補償 : 管路洩漏、滴水,微電腦自動偵測並運轉泵浦補償壓力至設定值。
並列運轉 : 使用時單台啟動,隨使用水量增加,單台運轉無法滿足設定之壓力及使用水量時,第二台自行啟動併入運轉補償,隨水量遞減,單台可以滿足設定之壓力及使用水量時,第二台自動停機