0
0
工業用浸水式泵浦
TPHK12T
TPHK 系列產品為直立多段離心式泵浦, 工業用途,
主要專用於工具機之切削液體加壓 泵送,
以及其他清洗與過濾系統之應用。

產品規格:(直立浸水式泵浦) ※如需50Hz請來電詢問
   型式 相數
(Ø)
頻率
(Hz)
   電壓
   (V)
  輸出瓦數
  (W)
  輸出安培數
  (A)
TPHK12T6-1   3  50 200-255 / 380-440   1400  4.5-6.3 / 2.7-3.4
 60 200-255 / 380-480   2000  6.6-5.8 / 3.6-2.9
TPHK12T6-2   3  50 200-240 / 380-415   3120  9.6-13.9 / 6.4-8.4
 60 200-240 / 380-440   4150  12.8-12.4 / 7.1-7.4
TPHK12T6-3   3  50 200-240 / 380-440   3830  11.6-11.5 / 6.5-7.2
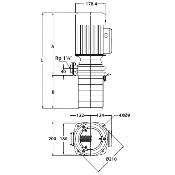
外形尺寸(mm): 參考圖2
  型式  A(mm)  B(mm)  L(mm)  重量.(kg)
 TPHK12T6-1   369   196.5   565.5   27.0
 TPHK12T6-2   369   196.5   565.5   29.0
 TPHK12T6-3   369   196.5   565.5   30.0
產品詳細介紹

產品用途

本公司TPHK 系列產品為直立多段離心式泵浦, 工業用途,主要專用於工具機之切削液體加壓 泵送,
以及其他清洗與過濾系統之應用,適用 液體包括水溶性、低黏稠度、中性之冷卻/潤 滑液。

泵浦構造:

直立多段離心式泵浦,浸水式,泵浦與馬達同軸,主要動作部位零件為不銹鋼材質。

馬達

轉速: 3500 / 2900 rpm
頻率: 60 / 50 Hz
電壓範圍: 220V/380V
防護等級: IP54
絕緣等級: F.

使用條件

環境溫度: Max. +40°C
液體溫度: +0°C ~ +90°C 
工作壓力: Max. 10 kg/cm²
浸水高度: Min. 40mm