0
0
工業用浸水式泵浦
TPHK4T
TPHK 系列產品為直立多段離心式泵浦, 工業用途,主要專用於工具機之切削液體加壓 泵送,
以及其他清洗與過濾系統之應用。

產品規格:(多段離心式泵浦) ※如需50Hz請來電詢問
  型式 相數
(Ø)
頻率
(Hz)
   電壓
   (V)
 輸出瓦數
 (W)
  輸出安培數
  (A)
 TPHK4T2-1    3  60  200-255 / 380-480    600  2.3-2.3 / 1.4-1.4
 TPHK4T2-2    3  60  200-255 / 380-480    960  3.0-2.7 / 1.7-1.7
 TPHK4T3-3    3  60  200-255 / 380-480   1290  4.0-3.6 / 2.4-2.4
 TPHK4T4-4    3  60  200-240 / 380-440   1620  4.5-5.0 / 2.9-2.9
 TPHK4T5-5    3  60  200-240 / 380-440   2100  6.2-6.0 / 3.5-3.5 
 TPHK4T6-6    3  60  200-240 / 380-440   2400  7.7-7.6 / 4.5-4.5
 TPHK4T7-7    3  60  200-240 / 380-440    2800  8.7-8.4 / 4.9-4.9
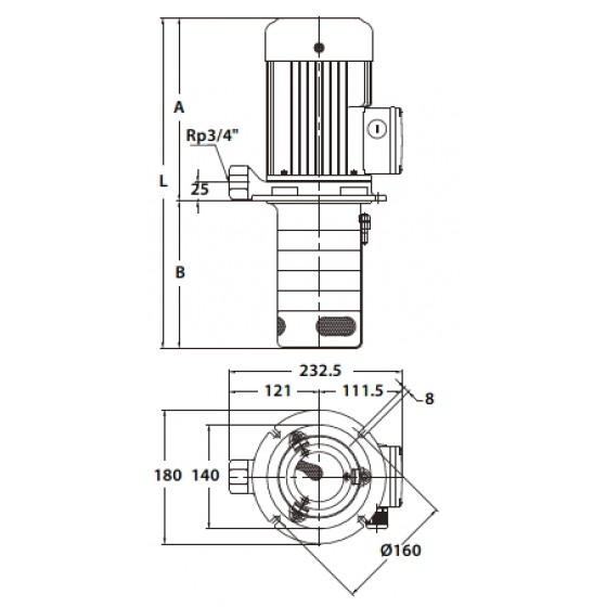
外形尺寸(mm): 參考圖2
  型式   A(mm)   B(mm)   L(mm)   重量(kg)
 TPHK4T2-1    205.5    144    349.5    10.8
 TPHK4T2-2    205.5    144    349.5    11.0
 TPHK4T3-3    245.5    171    416.5    11.7
 TPHK4T4-4    245.5    198    443.5    13.3
 TPHK4T5-5    245.5    225    470.5    13.9
 TPHK4T6-6   253/284.5    252   506/536.5    14.1
 TPHK4T7-7    284.5    279    563.5    14.6
產品詳細介紹

產品用途

本公司TPHK 系列產品為直立多段離心式泵浦, 工業用途,主要專用於工具機之切削液體加壓 泵送,
以及其他清洗與過濾系統之應用,適用 液體包括水溶性、低黏稠度、中性之冷卻/潤 滑液。

泵浦構造:

直立多段離心式泵浦,浸水式,泵浦與馬達同軸,主要動作部位零件為不銹鋼材質。

馬達

轉速: 3500 / 2900 rpm
頻率: 60 / 50 Hz
電壓範圍: 220V/380V
防護等級: IP54
絕緣等級: F.

使用條件

環境溫度: Max. +40°C
液體溫度: +0°C ~ +90°C 
工作壓力: Max. 10 kg/cm²
浸水高度: Min. 40mm