0
0
工業用浸水式泵浦
TPHK2T
TPHK 系列產品為直立多段離心式泵浦, 工業用途,主要專用於工具機之切削液體加壓 泵送,
以及其他清洗與過濾系統之應用。

產品規格:(直立浸水式泵浦) ※如需50Hz請來電詢問
  型式  相數
 (Ø)
 頻率
 (Hz)
  電壓
  (V)
 輸出瓦數
 (W)
 輸出安培數
 (A)
 TPHK2T3-1    3   60  200-255 / 380-480   370  1.5-1.9 / 1.0-1.3
 TPHK2T3-2    3   60  200-255 / 380-480   560  2.1-2.2 / 1.5-1.5
 TPHK2T3-3    3   60  200-255 / 380-480   750  2.6-2.5 / 1.6-1.6
 TPHK2T4-4    3   60  200-255 / 380-480   910  3.0-2.9 / 1.7-1.7 
 TPHK2T5-5    3   60  200-255 / 380-480   1060  3.3-3.0 / 1.8-1.8 
 TPHK2T6-6    3   60  200-255 / 380-480   1290  4.0-3.6 / 2.4-2.4
 TPHK2T7-7    3   60  200-240 / 380-440    1800  5.6-5.4 / 3.2-3.2
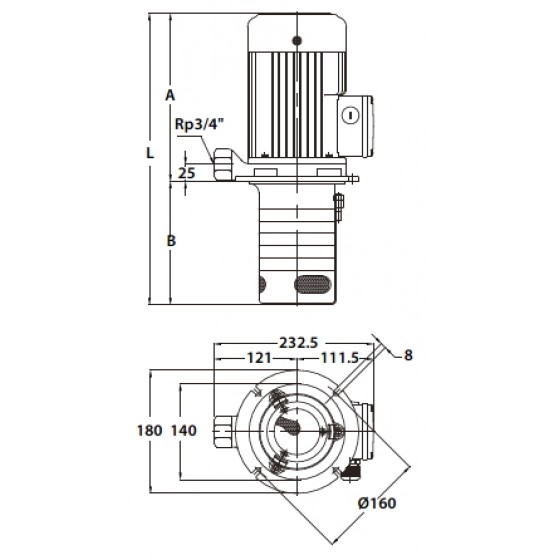
外形尺寸(mm): 參考圖2
  型式   A(mm)   B(mm)   L(mm)   重量(kg)
 TPHK2T3-1    205.5    144    349.5    10.9
 TPHK2T3-2    205.5    144    349.5    11.1
 TPHK2T3-3    205.5    144    349.5    11.2
 TPHK2T4-4    205.5    162    367.5    11.5
 TPHK2T5-5    245.5    180    425.5    12.7
 TPHK2T6-6    253.5    198    451.5    13.5
 TPHK2T7-7    253.5    216    469.5    13.0
產品詳細介紹

產品用途

本公司TPHK 系列產品為直立多段離心式泵浦, 工業用途,主要專用於工具機之切削液體加壓 泵送,
以及其他清洗與過濾系統之應用,適用 液體包括水溶性、低黏稠度、中性之冷卻/潤 滑液。

泵浦構造:

直立多段離心式泵浦,浸水式,泵浦與馬達同軸,主要動作部位零件為不銹鋼材質。

馬達

轉速: 3500 / 2900 rpm
頻率: 60 / 50 Hz
電壓範圍: 220V/380V
防護等級: IP54
絕緣等級: F.

使用條件

環境溫度: Max. +40°C
液體溫度: +0°C ~ +90°C 
工作壓力: Max. 10 kg/cm²
浸水高度: Min. 40mm