0
0
工業用多段離心泵浦
TPM50T
適合一般不含雜質之清水及流體加壓、輸送、循環
及機械設備之應用,如:
-工業系統
-清洗系統
-增壓系統
-液體傳送
-園藝灌溉

產品規格:(多段離心式泵浦)
  形 相數
(Ø)
  電壓
  (V)
 輸出功率
 (kW)
 電流
 I 1/1(A)
 電流
 Imax(A)
 TPM50T2.5K(N)F    3  220-255    5.5  19.1-17.9  21.7-19.9
 380-440  10.9-10.3  12.4-11.5
 TPM50T4K(N)F    3  220-255    7.5  25.4-24.4  28.9-27.1
 380-440  14.7-14.1  16.7-15.8
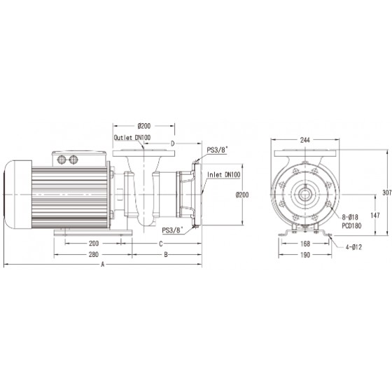
外形尺寸(mm): 參考圖2
  形式    外型尺寸  重量
 N.W.(kg)
 A(mm)  B(mm)  C(mm)  D(mm)
 TPM50T2.5K(N)F    607    188    228    147    71
 TPM50T4K(N)F    707    248    288    207    82
產品詳細介紹

產品特點

TPM為水平多段式離心泵浦,非自吸式,泵與馬達同軸設計,配用機械軸封,
葉輪安裝在馬達延長之軸心上,軸向入口、逕向出口的緊湊型泵浦機組。

使用條件

環境溫度: Max. +40℃
液體溫度: +0℃ ~ +90℃
工作壓力: Max.10 kg/cm²
入口壓力: Max. 6 kg/cm²