0
0
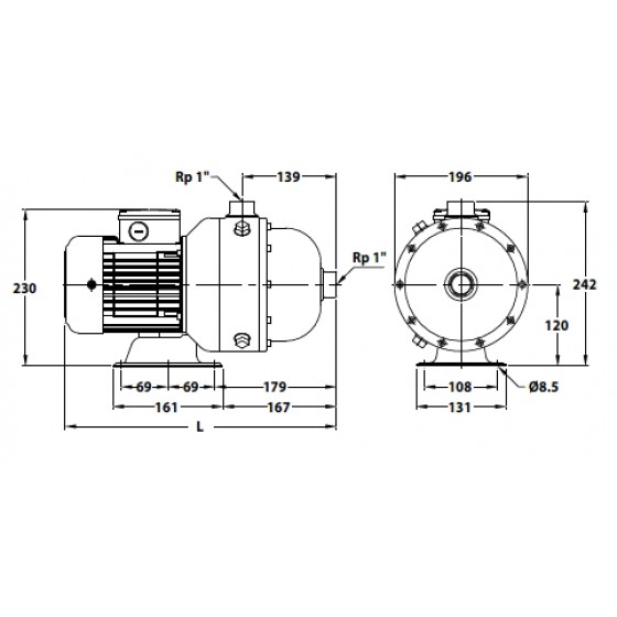
工業用多段離心泵浦
TPHP2T

TPHP泵主要應用於工業上:

供水和增壓、空調、水處理、工業清洗、
水產養殖、施肥/計量系統。

產品規格:(多段離心式泵浦)

  型號  相數(Ø)  頻率(Hz)   電壓(V)   輸出瓦數(W)   輸出安培數(A)
 TPHP2T2K      3     50  200-240 / 380-440     380  1.7-2.2 / 1.1-1.4
    60  200-255 / 380-480     540  1.9-2.0 / 1.2-1.2
 TPHP2T3K      3     50  200-240 / 380-440     500  1.9-2.3 / 1.2-1.5
    60  200-255 / 380-480     740  2.4-2.3 / 1.4-1.4
 TPHP2T4K      3     50  200-240 / 380-440     620  2.2-2.4 / 1.3-1.6
    60  200-255 / 380-480     930  2.9-2.7 / 1.6-1.6
 TPHP2T5K      3     50  200-240 / 380-440     810  2.9-3.8 / 1.8-2.6
    60  200-255 / 380-480     1170  3.7-3.6 / 2.2-2.2
 TPHP2T6K      3     50  200-240/ 380-440     920  3.2-3.9 / 1.9-2.7
    60  200-255 / 380-480     1350  4.2-4.0 / 2.4-2.4

 

產品詳細介紹

產品特色:

輸送液體

稀薄,清潔,不含固體顆粒或纖維的非易燃易爆液體。

可泵送如礦泉水、軟化水、純水、清洗液和輕油等液體。
當輸送液體密度和/或粘度比水高時,必須配合更高輸出的馬達使用。
泵是否適用於一個特定的液體取決於一個因素,其中最重要的是氯離子含量、pH值、溫度和溶劑、油等含量。

泵浦構造:

水平多段離心式泵浦,非自吸,泵浦與馬達同軸,葉輪固定於加長之馬達軸心上。

馬達:

1. 防護等級: IP54

2. 絕緣等級: F.

3. 頻率: 50 / 60 Hz

4. 轉速: 2900 / 3500 rpm

5. 電壓範圍:
  3Ø 200-240 / 380-440V 50Hz
  3Ø 200-255 / 380-480V 60Hz

使用條件

環境溫度:Max. +40°C
液體溫度:+0°C ~ +90°C
工作壓力:Max. 10 kg/cm²
入口壓力:Max. 6 kg/cm²