TPH系列產品為水平多段離心式泵浦,
用途廣泛,適合一般不含雜質之清水及
液體加壓、輸送、循環及機械設備之應用。
產品規格:(水平多段離心式泵浦)
| 型號 | 相數 (Ø) |
頻率 (Hz) |
電壓 (V) |
輸出瓦數 (W) |
輸出安培數 (A) |
| TPH25T2KF | 3 | 60 | 200-255 | 4000 | 12.9-10.5 |
| 380-480 | 7.3-5.8 | ||||
| TPH25T3KF | 3 | 60 | 200-255 | 5100 | 15.6-13.1 |
| 380-480 | 8.7-8.2 | ||||
| TPH25T4KF | 3 | 60 | 200-255 | 7200 | 21.2-20.5 |
| 380-480 | 12.3-12.5 | ||||
| TPH25T5KF | 3 | 60 | 200-255 | 8000 | 25.6-22.4 |
| 380-480 | 13.7-13.2 | ||||
| TPH25T6KF | 3 | 60 | 200-255 | 10200 | 31.2-27.5 |
| 380-480 | 17.5-15.8 |
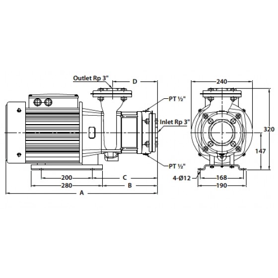
| 型號 | A(mm) | B(mm) | C(mm) | D(mm) | 重量(kg) |
| TPH25T2KF | 536 | 156.5 | 196.5 | 118 | 51.0 |
| TPH25T3KF | 596 | 216.5 | 256.5 | 178 | 56.8 |
| TPH25T4KF | 596 | 216.5 | 256.5 | 178 | 57.0 |
| TPH25T5KF | 706 | 276.5 | 316.5 | 238 | 68.8 |
| TPH25T6KF | 706 | 276.5 | 316.5 | 238 | 69.0 |
產品用途
本公司TPH系列產品為水平多段離心式泵浦, 用途廣泛,適合一般不含雜質之清水及液體加壓、輸送、循環及機械設備之應用,如:
1. 工業系統。
2. 清洗系統。
3. 增壓系統。
4. 液體傳送。
5. 園藝灌溉。
泵浦構造:
水平多段離心式泵浦,泵浦與馬達同 軸,葉輪固定於加長之馬達軸心上,主要動作 部位零件為不銹鋼材質。
馬達:
1. 轉速: 3500 / 2900 rpm
2. 頻率: 60 / 50 Hz
3. 電壓範圍: 220V/380V
4. 防護等級: IP54
5. 絕緣等級: F.
使用條件
1. 環境溫度: Max. +40°C
2. 液體溫度: +0°C ~ +90°C
3. 工作壓力: Max. 10 kg/cm²
4. 入口壓力: Max. 6 kg/cm²