0
0
抗菌不生銹抽水泵浦
HS400B
適用於一般住家不含雜質之清水加壓、輸送,一般
應用如:
-水循環
-液體增壓
-灌溉系統
-灑水系統
-清洗系統

產品規格:(不生銹抽水泵浦)
型式: HS400B
馬力(KW): 0.37
頻率(HZ): 60
相數(∮)” 1
電壓(V): 110/220
電流(A): 6.0/3.0
入口徑in(mm): 3/4"/ 1”
出口徑in(mm): 3/4" / 1”
最大揚程(m): 36
最大水量(L/min): 75
重量(kg): 8.2
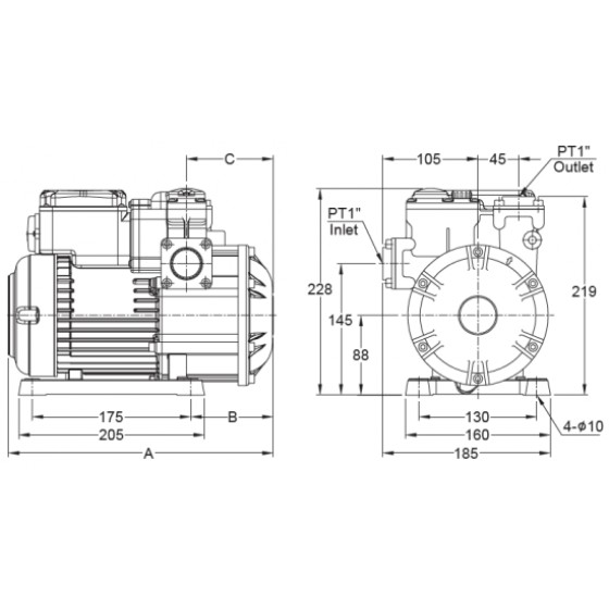
外型尺寸mm(AхBхC):292х91х96(參考圖2)
產品詳細介紹

產品特點

1. 葉輪採用304不鏽鋼多段離心式設計,強度高、能效佳、運轉時安靜低噪音。
2. 水機身採用符合RoHS規範之抗菌工程塑膠,可抑制部分菌類之滋生,提高用水品質。
3. 接液部位採不生銹材質製成,確保飲用水衛生。
4. 泵浦內置溫度保護開關,防止水源不足時泵浦空轉。當水溫超過55˚C時,泵浦自動斷電。
5. HS400B馬達裝設有溫度過載保護裝置可防止馬達燒毀。
6. 泵浦抽深6米

使用條件

環境溫度:Max. +40°C
液體溫度:+4°C~+40°C
吸入揚程:Max. 6 m
工作壓力:Max. 8.5 kg/cm²
適用液體:
不含雜質之清水、乾淨稀薄非腐蝕性之中性液體,
亦可用於不含砂質之海水。